|
离心风机
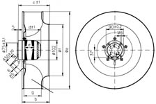
离心风机(前曲、单进气口-)
|
|
|
|
G2E
180:
Motor protruding
15 mm
|
 |
|
|
型号
|
马达
|
A
|
B
|
C
|
D
|
E
|
F
|
G
|
H
|
I
|
J
|
K
|
L
|
M
|
N
|
O
|
|
G2E 180
|
M2E 074-EI
|
125
|
110
|
140
|
120
|
110
|
86
|
7
|
150
|
105
|
450
|
261
|
120
|
281
|
123
|
194
|
|
|
型号
|
G2E
180-EH
03-01
|
|
电压(伏)
|
230
|
|
频率(赫兹)
|
50
60
|
|
风量(米3/秒)
|
700
560
|
|
速度/分钟
|
2000
2450
|
|
输入功率(瓦)
|
375
400
|
|
电流(安培)
|
1.65
1.75
|
|
电容(微法)
|
8/400
|
|
噪音(分贝)
|
72
72
|
|
起始工作压力
|
150
500
|
|
环境温度(度)
|
40
40
|
|
毛重(千克)
|
5.6
|
|
|
离心风机(前曲、双进气口)
|
|
|
|
|
型号
|
马达
|
A
|
B
|
C
|
D
|
E
|
F
|
H
|
I
|
K
|
L
|
M
|
N
|
O
|
S
|
|
D4.200-CA
|
M4.068-LA
|
341
|
321
|
304
|
284
|
250
|
287
|
167
|
287
|
327
|
146
|
371
|
151
|
213
|
180
|
|
|
型号
|
D4D
200-CA 02-02
|
D4E
200-CA 02-02
|
|
电压(伏)
|
230
400
|
230
|
|
频率(赫兹)
|
50
|
50
60
|
|
风量(米3/秒)
|
2550
|
2380
2050
|
|
速度/分钟
|
1080
|
1100
1250
|
|
输入功率(瓦)
|
480
|
490
525
|
|
电流(安培)
|
0.89
|
2.15
2.30
|
|
电容(微法)
|
-
|
10/400
|
|
噪音(分贝)
|
63
|
60
60
|
|
起始工作压力
|
0
|
50
150
|
|
环境温度(度)
|
30
|
40
40
|
|
毛重(千克)
|
12.0
|
11.9
|
|
|
|
离心风机(后曲、单进气口)
|
|

|
 |
|
型号
|
马达
|
A
|
B
|
C
|
D
|
E
|
F
|
G
|
|
R4E
310 - AF
|
M4E
074 - DF
|
318
|
132
|
154
|
104
|
35
|
203
|
101
|
|
R4E
355 - AF
|
M4E
074 - EI
|
360
|
148.5
|
165.5
|
117
|
48
|
237
|
101.5
|
|
R4E
355 - AG
|
M4E
074 - GA
|
360
|
173
|
190
|
129
|
60
|
237
|
126
|
|
|
型号
|
R4E
310 AF 12-05
|
R4E
355 AF 05-05
|
R4E
355 AG 02-05
|
|
电压(伏)
|
230
|
230
|
230
|
|
频率(赫兹)
|
50
60
|
50
60
|
50
|
|
风量(米3/秒)
|
1815
2115
|
2365
2740
|
2850
|
|
速度/分钟
|
1430
1670
|
1410
1630
|
1430
|
|
输入功率(瓦)
|
105
150
|
170
250
|
210
|
|
电流(安培)
|
0.47
0.67
|
0.78
1.10
|
0.97
|
|
电容(微法)
|
4/400
4/400
|
6/400
6/400
|
7/400
|
|
噪音(分贝)
|
67
70
|
66
70
|
67
|
|
环境温度(度)
|
65
50
|
55
40
|
45
|
|
毛重(千克)
|
3.5
|
4.4
|
4.5
|
|
|
|